英凯阀业


英凯是一家自2010年开始营业的专业制造温度控制阀门的生产厂家。英凯提供客户所需求的所有的满意产品。我们的服务包括温度控制阀的设计和制造、蜡膨胀元件的销售。

图片墙


展示图片 展示图片 展示图片 展示图片 展示图片 展示图片

联系我们


电话: 0519-8666 9098

邮箱: market@enkair.com

地址: 常州市钟楼区广源路132号9-2幢

主要链接


新闻中心 keyboard_arrow_down

联系我们


电话: 0519-8666 9098

邮箱: market@enkair.com

地址: 常州市钟楼区广源路132号9-2幢

logo
logo
logo
32ADS4xxx-DS

32ADS4xxx-DS

控制温度范围广
抗震抗冲击性好
自力式感温,可靠性好
零部件少,适用流量范围广
安装位置灵活,可任意方向安装
工作原理
自力式温控阀 采用石蜡受热膨胀原理,膏状态的石蜡在较小的温度范围内具有较高的膨胀率,温控阀芯将根据受热状态推动衬套运动,调节进入冷却器的液体流量,最终达到控制液体温度的效果。所有温控阀的控制温度都是预先设定好的,出厂后无需任何调节。本产品广泛应用千压缩机工作,柴油机的冷却和润滑系统。
当温控阀应用于分流系统时,启动时所有流体均不经过冷却器,温控阀是通过旁通口(B)返回系统。当流体温度上升至可控制范围时,一部分流体将通过三通温控阀的出口(C)进入冷却系统,随着介质温度持续上升,会有更多的流体经过冷却器。当温控阀处千完全打开状态下时,所有流体将通过冷却系器,最终达到调节温度的效果。
当温控阀应用千混流系统时,高温流体经过B端口进入温控阀,而低温流体则通过C端口进入温控阀,两种不同温度的流体将在温控阀内被调节到设定的温度,最后经过A口进入到应用系统中。
工作原理
工作曲线
下图直观的给出了温控阀芯行程和温度的变化关系,该曲线又分为温度升程曲线和温度降程曲线,这两条曲线之间的差别叫迟滞。
主要是由阀芯弹簧的弹力、阀芯内部零部件之间的摩擦力和温度惯性造成的。该曲线的形状和梯度取决于蜡的成份及配套的弹簧的弹力。
工作曲线
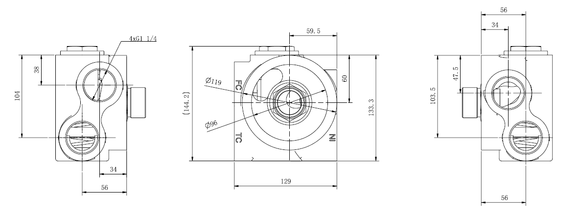
外形图
外形图
流量降压图
流量降压图
产品规格
产品型号 阀体材质 连接螺纹规格 主要尺寸(毫米) 阀芯数量(个)
"X" "Y" "W" "Z"
压力重量
阀体材质 工作压力(PSI) 重量(LBS)
铸铁 150 6.5
150 3.0
180 8.5
球铁 225 6.5
碳钢 670 7.0
不锈钢 590 7.0
安装应用
安装应用
竞争品牌型号兼容表